
HX(*)108/390
Product information
Price not available
Description
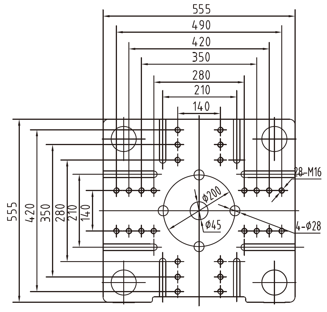
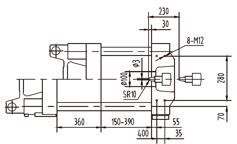
The HXM 108/390 is a servo energy-saving injection molding machine developed by Highsun for high precision and efficient operation. It offers a clamping force of 1080 kN and uses screw diameters ranging from 28 to 40 mm, giving an injection capacity between 101 and 207 cm³. The machine achieves injection pressures from 388 to 190 MPa and plasticizing capacities from 8 to 18 g/s. It runs with a 16 kW servo motor and 10.75 kW of heating power. The clamping stroke is 360 mm, with a mold height range of 150 to 400 mm and tie-bar spacing of 360 × 360 mm. The total dimensions are 4.28 × 1.05 × 1.86 m, with a weight of around 3.4 tons and an oil tank capacity of 160 liters. The servo-hydraulic system delivers fast and stable performance, precise control of pressure and flow, and energy savings of up to 60 percent. This model is suitable for precise production of small and medium-sized plastic parts used in electronics, packaging, and consumer products.