
HX(*)1100/11200
Product information
Price not available
Description
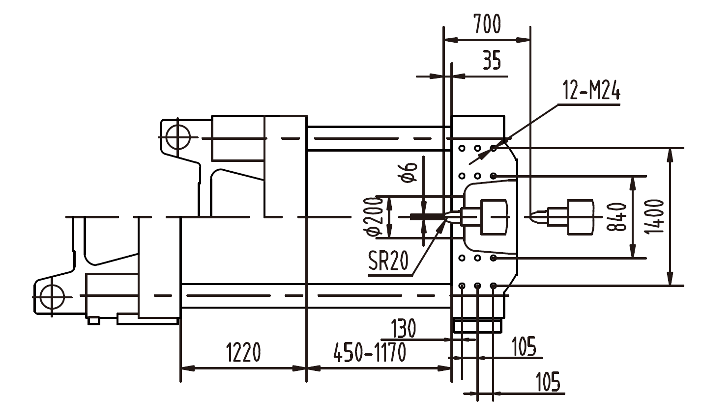
The HXM 1100/11200 is a high‑performance servo energy‑saving injection molding machine designed for large and technically demanding plastic components. It delivers a clamping force of 11,000 kN and supports screw diameters of 110, 120, and 130 mm, providing a theoretical injection capacity from 5797 to 8096 cm³. The injection pressure ranges from 194 to 139 MPa, and the plasticizing capacity varies from 101 to 125 g/s depending on screw configuration. The system operates at a pump pressure of 17.5 MPa, powered by a triple servo motor setup rated at 40 + 40 + 40 kW, with a total heating capacity of 85.5 kW. The clamping unit includes a mold opening stroke of 1220 mm, adjustable mold heights between 450 and 1170 mm, and tie‑bar spacing of 1160 × 1160 mm. The overall machine dimensions are 12.18 × 2.65 × 3.50 meters, with a weight of approximately 50.2 tons and an oil tank capacity of 1200 liters. The HXM 1100/11200 uses a servo‑hydraulic system to deliver precise control, responsive performance, and major energy savings while maintaining consistent molding accuracy. It is suited for large industrial products, automotive panels, logistics and structural parts, and other heavy‑duty applications requiring power and reliability.