
HX(*)168/670
Product information
Price not available
Description
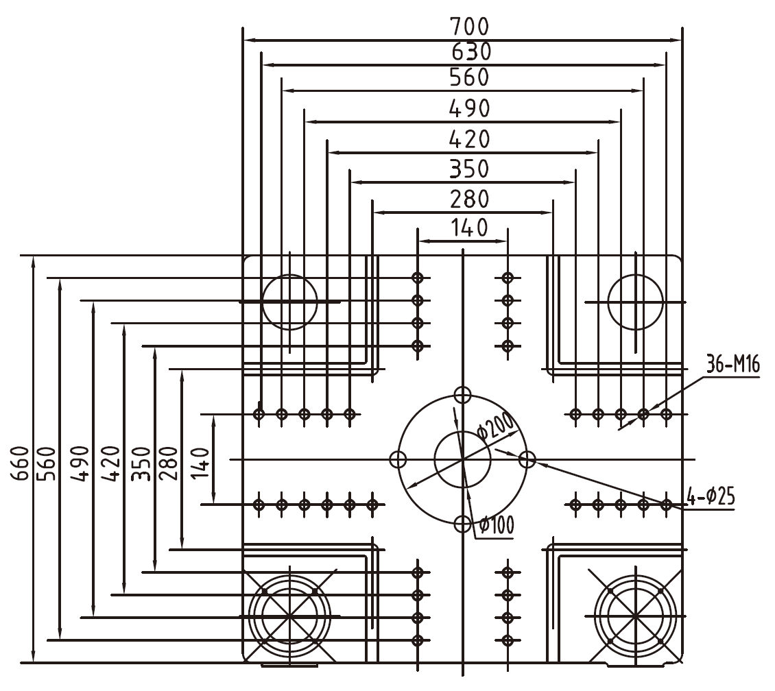
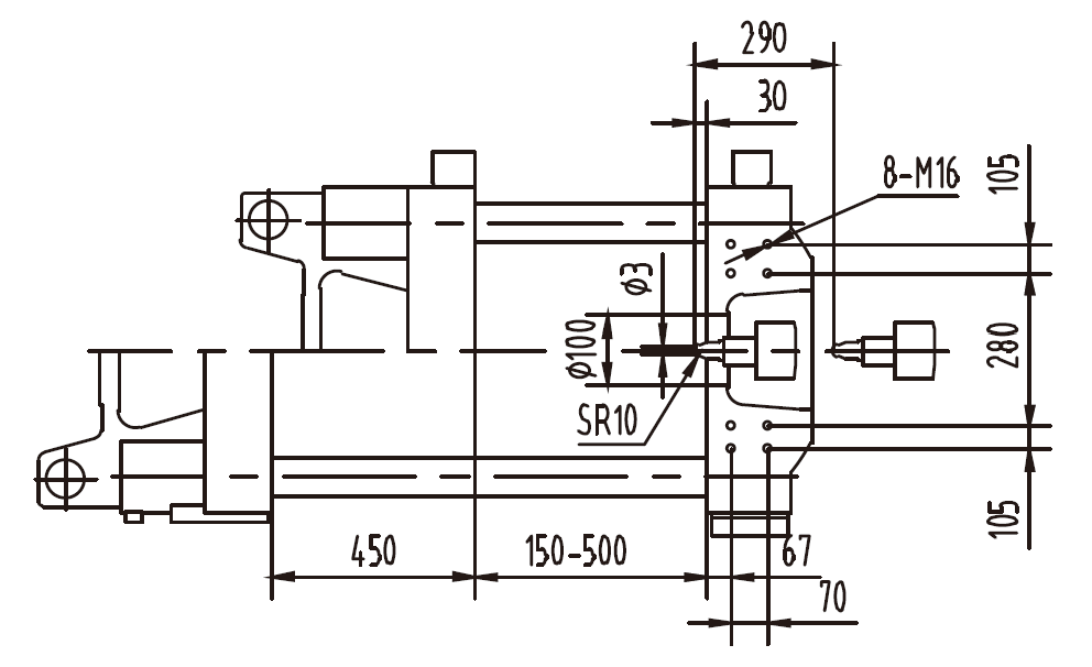
The HXM 168/670 is a servo energy-saving injection molding machine designed for stable, precise, and efficient production. It features a clamping force of 1680 kN and supports screw diameters of 42, 45, and 48 mm, resulting in an injection capacity range of 318 to 416 cm³. The injection pressure varies from 212 to 163 MPa, and the plasticizing capacity is between 15 and 23 g/s depending on the screw size. The machine operates at a pump pressure of 17.5 MPa, with a motor power of 21 kW and heating capacity of 15.65 kW. It has a mold opening stroke of 450 mm, mold height from 150 to 500 mm, and tie-bar spacing of 470 × 430 mm. The unit measures 4.93 × 1.31 × 1.93 meters, weighs about 5.1 tons, and includes a 200-liter oil tank. Its servo-driven hydraulic system ensures quick response, high repeatability, and reduced energy consumption, making it suitable for medium-sized precision plastic products in applications such as electronics, household goods, and automotive components.