
HX(*)2000/19000
Product information
Price not available
Description
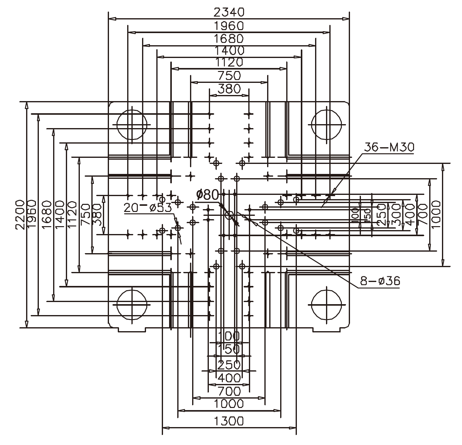
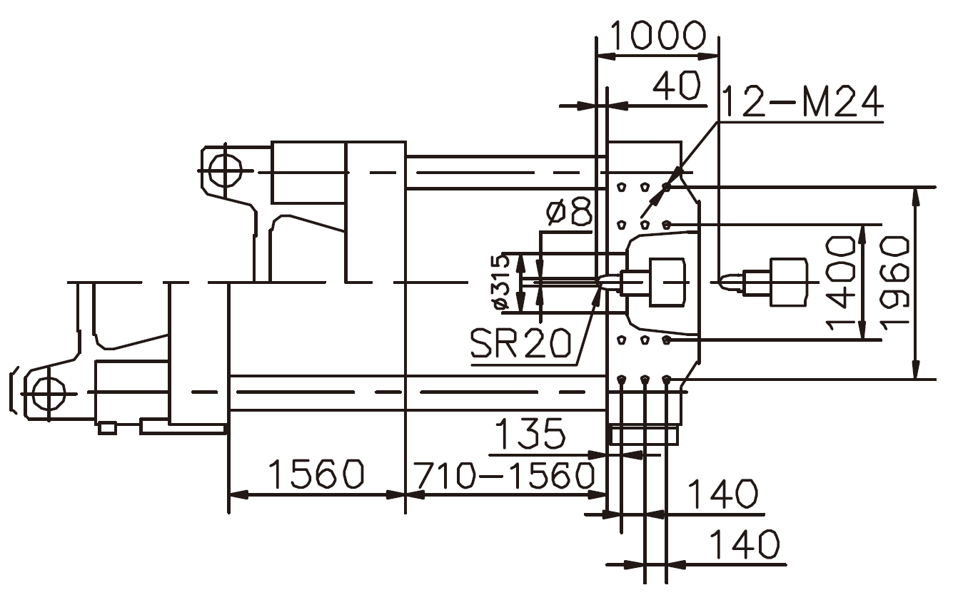
The HXM 2000/19000 is a large servo energy‑saving injection molding machine designed for producing heavy‑duty plastic components with high accuracy, consistency, and energy efficiency. It provides a clamping force of 20,000 kN and supports screw diameters of 130, 140, 150, and 160 mm, offering a theoretical injection capacity from 9291 to 14,074 cm³. The corresponding injection pressure ranges between 204 and 135 MPa, while the plasticizing capacity varies from 109 to 162 g/s. The system operates at a pump pressure of 17.5 MPa and is powered by a high‑capacity servo system rated at 40 + 40 + 47 + 47 kW, with a heating capacity of 119.1 kW. The clamping unit features a mold opening stroke of 1600 mm, a mold height range from 710 to 1560 mm, and tie‑bar spacing of 1620 × 1480 mm. The machine’s overall dimensions are 15.60 × 3.50 × 4.00 meters, with a weight of about 133.4 tons and an oil tank capacity of 2000 liters. The HXM 2000/19000 integrates precision servo‑hydraulic control for stable pressure, fast response, and reduced power consumption. It is ideal for manufacturing large automotive panels, industrial bins, appliance housings, and structural or logistics products that demand both high strength and consistent molding quality.