
HX(*)208/750
Product information
Price not available
Description
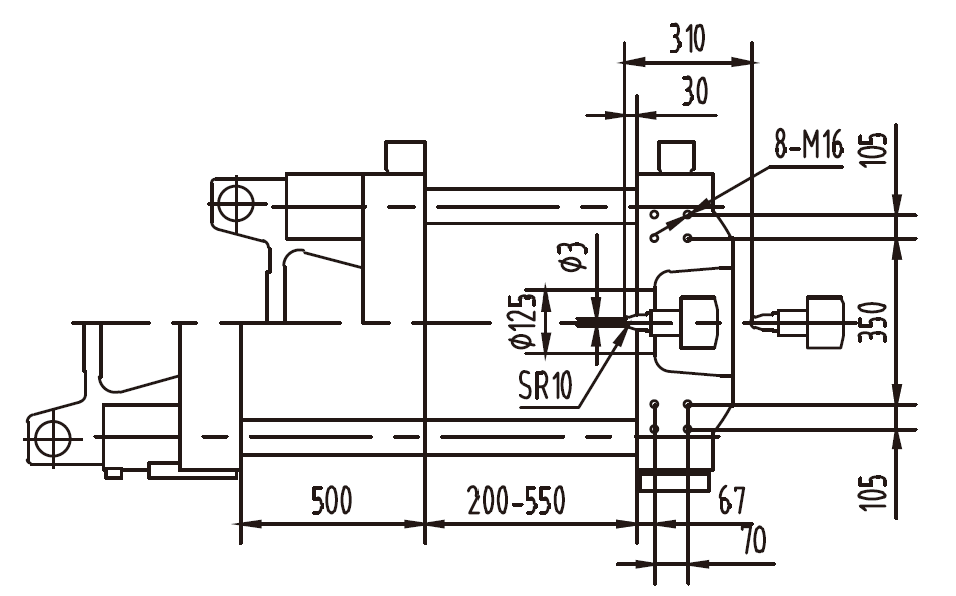
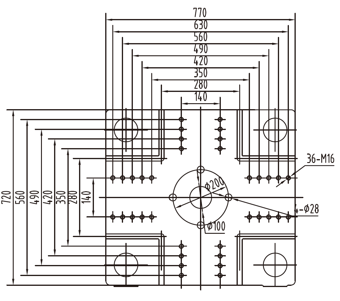
The HXM 208/750 is a servo energy-saving injection molding machine from Highsun’s HXM series, built for precise performance, energy efficiency, and consistent product quality. It provides a clamping force of 2080 kN and accommodates screw diameters from 40 to 48 mm, achieving a theoretical injection capacity between 320 and 461 cm³. The injection pressure ranges from 234 to 163 MPa, with plasticizing capacities from 14 to 23 g/s. The machine operates with a servo motor rated at 21 kW, a heating capacity of 16.85 kW, and a system pressure of 17.5 MPa. It offers a mold opening stroke of 500 mm, mold height range of 200 to 550 mm, and a tie-bar spacing of 530 × 480 mm. Its overall dimensions are 5.38 × 1.28 × 2.04 meters, with a weight of around 6 tons and an oil tank capacity of 200 liters. The integrated servo-hydraulic control provides fast response, stable injection performance, and up to 60 percent power savings. This model is well suited for producing medium-sized plastic components, such as appliance housings, packaging parts, and functional automotive or electronic products.