
HX(*)2200/32000
Product information
Price not available
Description
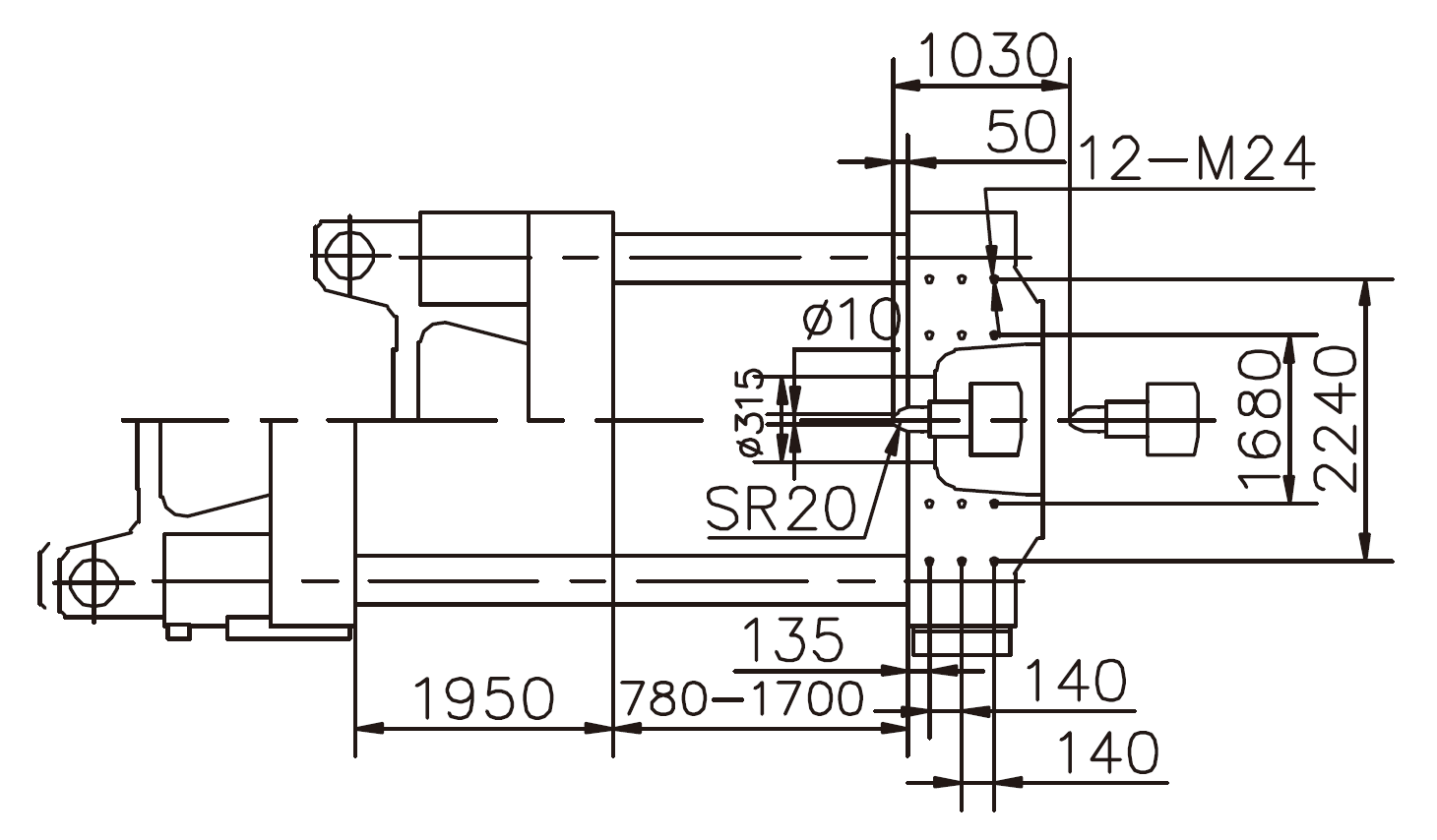
The HXM 2200/32000 is a high‑capacity servo energy‑saving injection molding machine built for large, complex, and technically demanding plastic products. It provides a clamping force of 22,000 kN and supports screw diameters of 155, 165, and 175 mm, with a theoretical injection capacity ranging from 17,737 to 22,609 cm³. The injection pressure varies from 181 to 142 MPa, while plasticizing capacity ranges between 100 and 135 g/s depending on screw size. The system operates at a pump pressure of 17.5 MPa and is powered by a servo motor configuration rated at 40 + 40 + 47 + 47 kW, with a total heating capacity of 162.15 kW. The clamping unit features a mold opening stroke of 1950 mm, mold height range from 780 to 1700 mm, and tie‑bar spacing of 1800 × 1620 mm. The overall machine dimensions are 19.40 × 3.90 × 5.10 meters, with a weight of about 154.5 tons and an oil tank capacity of 2200 liters. Combining a high‑response servo‑hydraulic system with precise control of pressure and flow, the HXM 2200/32000 ensures smooth operation, energy savings up to 60 percent, and excellent molding repeatability. It is well suited for automotive body panels, large logistics containers, appliance assemblies, and other heavy‑duty applications requiring high output and dimensional stability.