
HX(*)558-I/3800
Product information
Price not available
Description
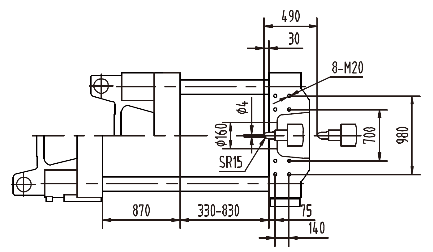
The HXM 558‑I/3800 is a servo energy‑saving injection molding machine engineered for precision, consistency, and efficiency in large and high‑strength plastic part production. It provides a clamping force of 5580 kN and supports screw diameters of 75 and 80 mm, offering a theoretical injection capacity from 1855 to 2111 cm³. The injection pressure ranges between 209 and 183 MPa, while the plasticizing capacity varies from 55 to 65 g/s. The system operates at a pump pressure of 17.5 MPa, uses a dual 30 kW servo motor configuration, and has a heating capacity of 38.55 kW. The clamping unit features a mold opening stroke of 870 mm, mold height range from 330 to 830 mm, and tie‑bar spacing of 870 × 840 mm. The machine measures 8.08 × 2.07 × 2.47 meters, weighs about 21.6 tons, and includes an oil tank capacity of 630 liters. The HXM 558‑I/3800 utilizes a responsive servo‑hydraulic system that ensures accurate pressure control, stable operation, and significant energy savings compared with conventional hydraulic machines. It is well suited for producing large automotive parts, industrial containers, appliance housings, and other components requiring reliable high‑tonnage molding capabilities.