
HX(*)558-II/4800
Product information
Price not available
Description
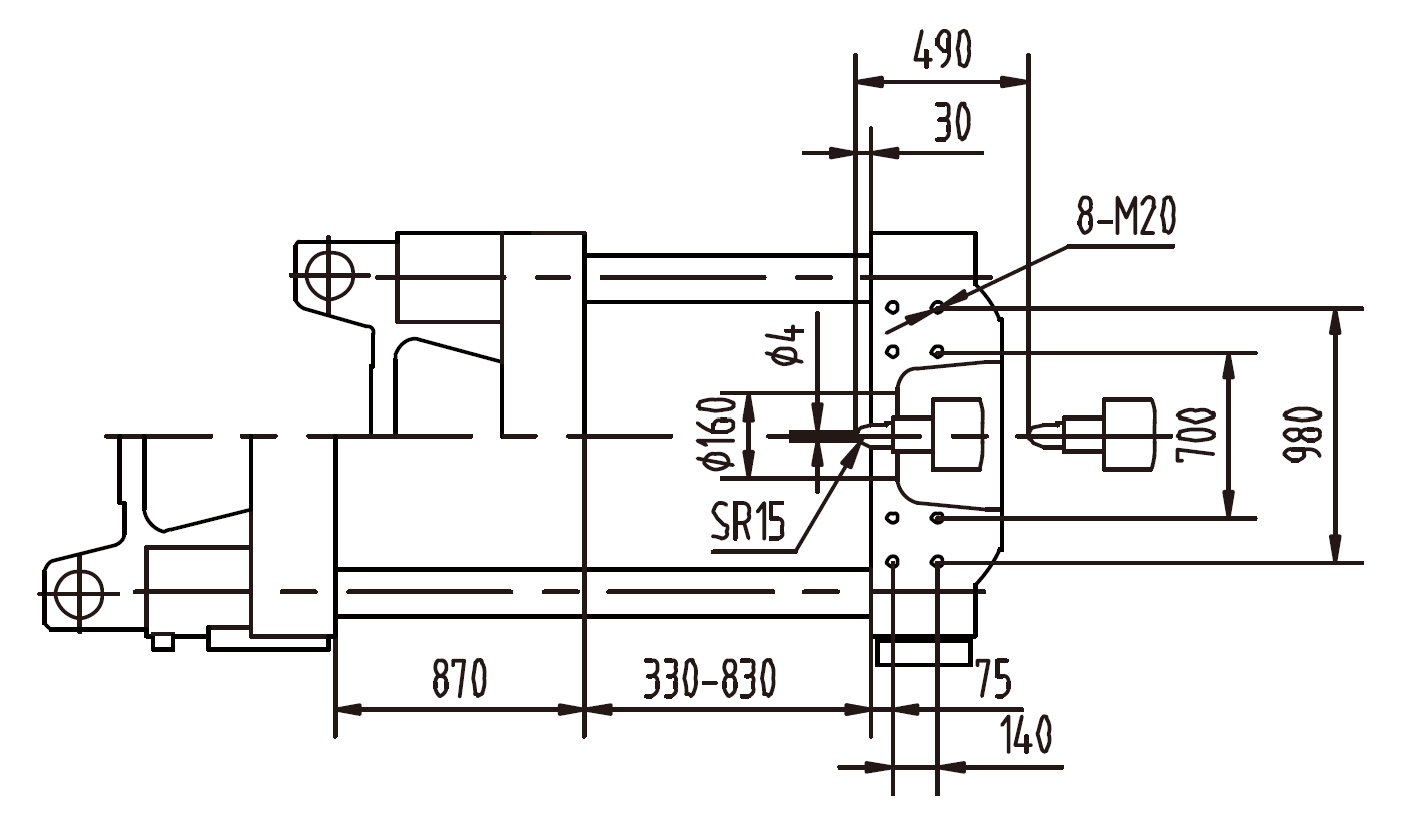
The HXM 558‑II/4800 is a servo energy‑saving injection molding machine designed for large‑scale, high‑precision plastic manufacturing with stable performance and reduced energy consumption. It delivers a clamping force of 5580 kN and uses screw diameters of 80, 85, and 90 mm, giving a theoretical injection capacity from 2362 to 2990 cm³. The injection pressure ranges from 206 to 162 MPa, while the plasticizing capacity varies between 65 and 80 g/s. The system operates at a pump pressure of 17.5 MPa, powered by a dual servo motor setup rated at 30 and 40 kW, with a total heating capacity of 42.45 kW. The clamping mechanism provides a mold opening stroke of 870 mm, a mold height range from 330 to 830 mm, and tie‑bar spacing of 870 × 840 mm. The overall machine dimensions are 8.35 × 2.19 × 2.47 meters, with an approximate weight of 22.3 tons and an oil tank capacity of 750 liters. The HXM 558‑II/4800 utilizes a closed‑loop servo‑hydraulic system that delivers accurate control, fast response, and significant energy savings, enhancing productivity and product consistency. It is suitable for producing large and technically demanding molded parts, including automotive panels, industrial containers, appliances, and heavy‑duty plastic components.