
HX(*)658-I/4800
Product information
Price not available
Description
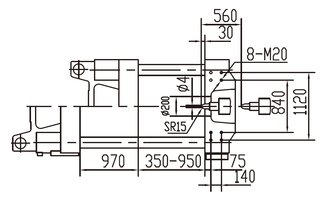
The HXM 658‑I/4800 is a servo energy‑saving injection molding machine designed for reliable, precise, and efficient molding of large plastic parts. It provides a clamping force of 6580 kN and offers screw diameters of 75 and 80 mm, resulting in an injection capacity from 2076 to 2362 cm³. The injection pressure ranges between 234 and 206 MPa, and the plasticizing capacity varies from 55 to 65 g/s. The system operates at a pump pressure of 17.5 MPa and is powered by a dual servo motor configuration rated at 30 and 40 kW, with a heating capacity of 42.45 kW. The clamping unit features a mold opening stroke of 970 mm, mold height range from 350 to 950 mm, and tie‑bar spacing of 970 × 920 mm. The machine’s overall dimensions are 9.37 × 2.19 × 2.48 meters, with a weight of approximately 29.1 tons and an oil tank capacity of 750 liters. Incorporating servo‑hydraulic technology with closed‑loop control, the HXM 658‑I/4800 ensures accurate injection pressure, rapid response, and energy savings of up to 60 percent. It is well suited for producing large containers, automotive and appliance components, and other demanding plastic products that require consistent quality and stable production performance.