
HX(*)658-II/5700
Product information
Price not available
Description
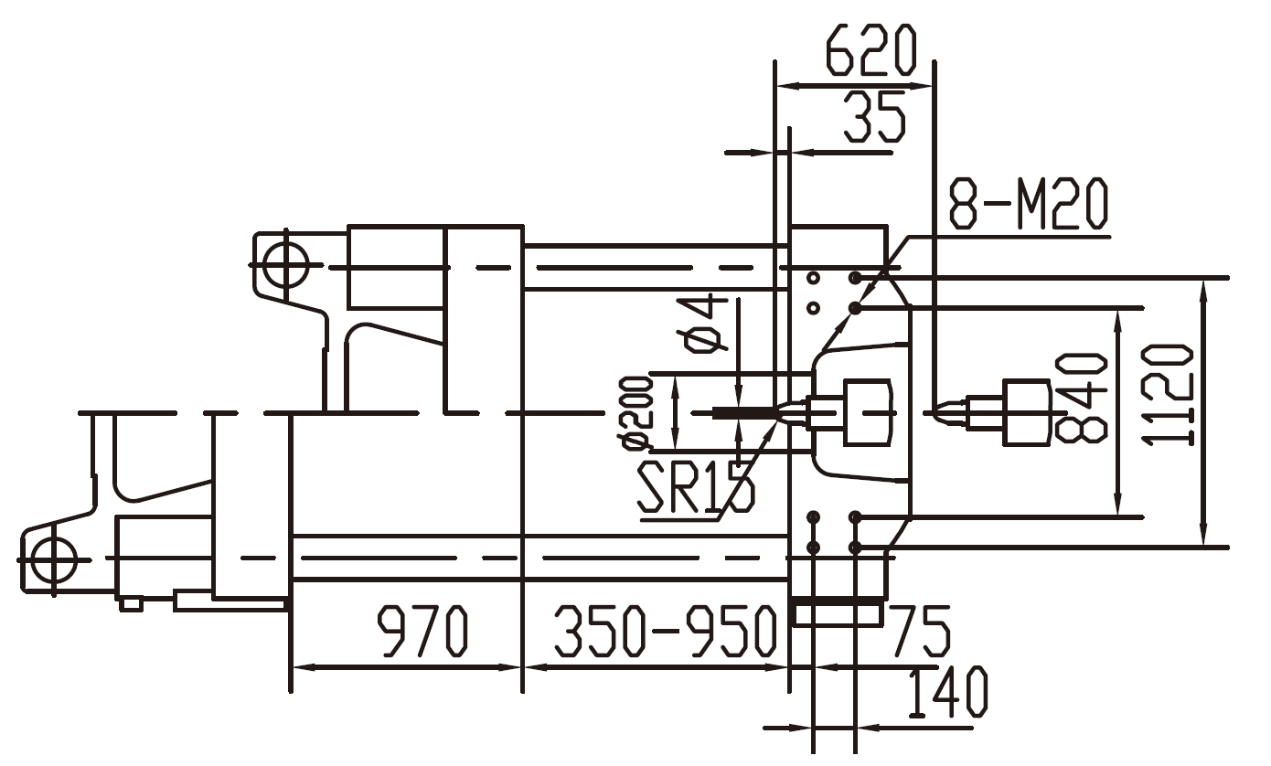
The HXM 658‑II/5700 is a high‑performance servo energy‑saving injection molding machine designed for large‑scale production that requires accuracy, strength, and energy efficiency. It provides a clamping force of 6580 kN and supports screw diameters of 85, 90, 95, and 100 mm, offering a theoretical injection capacity from 2610 to 3612 cm³. The injection pressure ranges between 221 and 159 MPa, while plasticizing capacity varies from 70 to 90 g/s. The machine operates at a pump pressure of 17.5 MPa and utilizes a dual 40 kW servo motor system with a total heating capacity of 53.7 kW. The clamping unit features a mold opening stroke of 970 mm, a mold height range from 350 to 950 mm, and tie‑bar spacing of 970 × 920 mm. The overall machine dimensions are 9.52 × 2.27 × 2.65 meters, with a weight of about 30.8 tons and an oil tank capacity of 850 liters. The HXM 658‑II/5700 combines precise servo‑hydraulic control with fast response and consistent injection performance, achieving significant energy savings alongside improved cycle efficiency. It is ideally suited for manufacturing large automotive components, industrial containers, household products, and high‑strength molded parts that require stability and dimensional accuracy.