
HX(*)850/7300
Product information
Price not available
Description
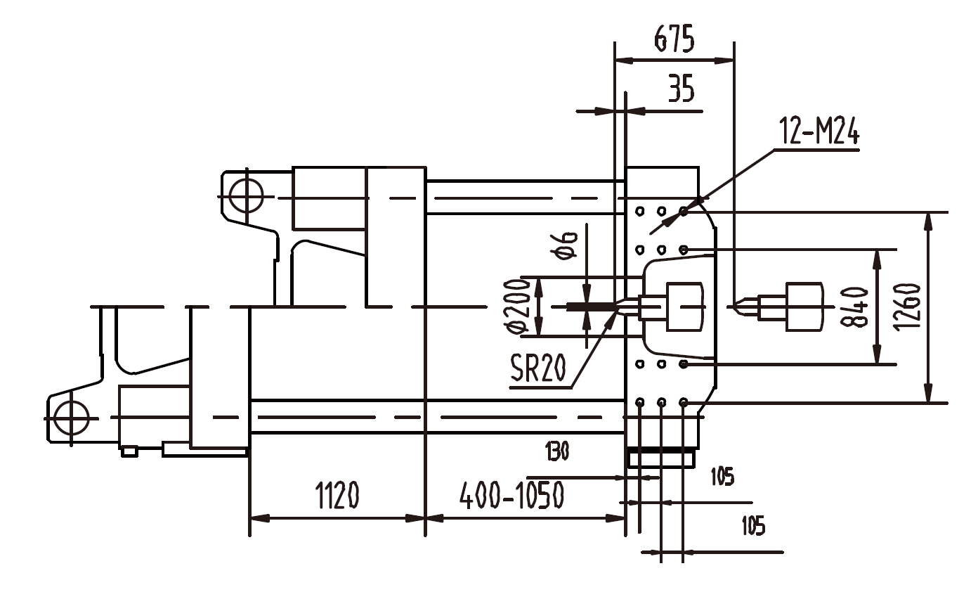
The HXM 850/7300 is a servo energy‑saving injection molding machine engineered for high‑capacity, precision molding of large and complex plastic products. It provides a clamping force of 8500 kN and supports screw diameters of 95, 100, and 105 mm, giving a theoretical injection capacity from 3849 to 4701 cm³. The injection pressure ranges between 191 and 157 MPa, and the plasticizing capacity varies from 85 to 98 g/s. Operating at a pump pressure of 17.5 MPa, the machine is powered by dual 40 kW servo motors and has a total heating capacity of 62.2 kW. The clamping unit features a mold opening stroke of 1120 mm, accommodates mold heights from 400 to 1050 mm, and has tie‑bar spacing of 1070 × 1020 mm. The overall dimensions are 12.18 × 2.40 × 2.74 meters, with an approximate weight of 40.4 tons and an oil tank capacity of 1535 liters. The HXM 850/7300 combines servo‑hydraulic technology with closed‑loop control for precise injection, reduced cycle times, and substantial energy savings. It is well suited for large automotive components, industrial containers, household and appliance shells, and other high‑strength molded products requiring consistent performance and accuracy.